SZ-206F/SZ-126F/SZ-256F
产品描述
◆ 全新设计的机座,借助有限元分析(FEA)进行优化设计,在满足高刚性、高精密加工的同时,在吸收振动、减少共振方面效果明显
◆ 各移动支撑件坚持轻量化的设计原则,在轻量化的同时,实现高刚度与高刚度质量比,以提高机床的动态响应,实现节能省材
◆主轴侧刀具标准配置:6X□12车刀/5XER16侧面动力刀具/5XER16端面固定刀具,灵活多样的刀具配置,为加工复杂零件提供可能
◆ 背轴侧刀具配置丰富:2X□12车刀,端面3XER16固定刀具+3XER16动力刀具,侧面3XER16动力刀具,模块化刀具布局,背轴侧具备完全的车铣复合加工能力,最大化优化加工工艺,缩短加工节拍,多重同时加工,高效生产
◆采用电机驱动旋转导套结构,实现高速、高精度加工,有导套与无导套灵活切换
◆内藏式油冷电主轴,结构紧凑、重量轻、惯性小、噪声低、响应快、易于实现定位。
应用领域:5G/智能家电/电动工具/渔具/消费电子/医疗器械/新能源汽车/国防军工等行业。
咨询热线:0755-88886666
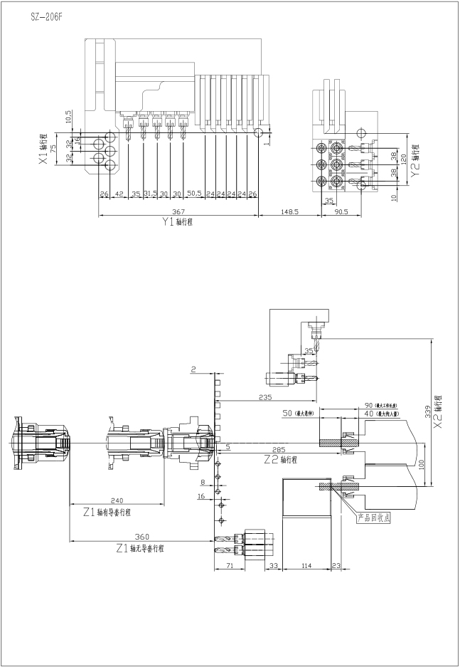
SZ-206F 刀具图

刀具布局

后端刀具布局

整体刀具布局

刀具简图正面刀具行程图

| 型号 | SZ-126F | SZ-206F | SZ-256F | ||||
| NC装置 | 日本三菱 M80 | ||||||
| 电源 | 200AVC | ||||||
| 机床额定功率 | Kw | 11 | |||||
| 加工范围 | 最大加工直径 | mm | ∅12 | ∅ 20 | ∅25 | ||
| 主轴最大夹持直径 | mm | ∅12 | ∅ 20 | ∅25 | |||
| 最大一次送料长度 | mm | 240 | |||||
| 主/背轴 | 主轴功率 | Kw | 2.2/3.7 | ||||
| 背轴功率 | Kw | 1.5/2.2 | |||||
| 主轴最大通孔直径 | mm | ∅13 | ∅ 27 | ||||
| 主轴最大钻孔深度 | mm | 50 | 50 | ||||
| C轴分度 | ° | 0.001 | |||||
| 主/背轴转速 | rpm |
主轴:2900/9790 背轴:3870/11800 | |||||
| 背轴最大夹持直径 | mm | ∅ 13 | ∅ 20 | ∅ 25 | |||
| 背轴最大通孔直径 | mm | ∅ 13 | ∅ 27 | ||||
| 主轴最大行程 | 有导套 | mm | 240 | ||||
| 无导套 | mm | 2.5D | |||||
| 最大刀具安装数量 | pcs | 26 | |||||
主轴刀具 | ①车削刀具 | 数量×型号 | 6X□12 | ||||
| ②侧铣刀具 | 数量×型号 | 2XER16+3XER11 | 5XER16 | ||||
| 钻孔直径 | mm | ∅ 10/∅ 8 | ∅ 10 | ||||
| 螺纹加工(攻丝/板牙) | M8/M6 | M6 | |||||
| 动力头转速 | rpm | Max 5000 | |||||
| 动力头功率 | Kw | 1 | |||||
| ③端面固定刀具 | 数量×型号 | 5XER16 | |||||
| 钻孔直径 | mm | ∅ 10 | |||||
| 螺纹加工(攻丝/板牙) | M8 | ||||||
| 背轴刀具 | ⑥端面固定 | 数量×型号 | 4×ER16 | ||||
| 钻孔直径 | mm | Max φ10 | |||||
| 螺纹加工(攻丝/板牙) | Max M8 | ||||||
| 动力刀具 | 端面 | 数量×型号 | 3×ER16 | ||||
| 钻孔直径 | mm | Max φ10 | |||||
| 螺纹加工(攻丝/板牙) | Max M6 | ||||||
| 端面&侧铣 | 动力头转速 | rpm | Max 5000 | ||||
| 动力头功率 | Kw | 1 | |||||
| 侧铣 | 数量×型号 | 3×ER16 | |||||
| 钻孔直径 | mm | Max φ10 | |||||
| 螺纹加工(攻丝/板牙) | Max M6 | ||||||
| ④车刀 | 4X□12 | ||||||
| 快速进给速度 | m/min | 30(Z1/Z2/X2/Y1)24(X1Y2) | |||||
| 进给电机功率 | Kw | 1(Z1/Z2/X1/X2/Y1/Y2) | |||||
| 切削油泵功率 | Kw | 0.4 | |||||
| 主/背轴冷却油泵功率 | Kw | 0.7 | |||||
| 润滑油泵功率 | Kw | 0.035 | |||||
| 接料盒最大接料长度 | mm | 80 | |||||
| 主轴高度(主/背轴距离床身最底部) | mm | 1018 | |||||
| 切削油箱体积 | L | 160 | |||||
| 净重 | Kg | 2800 | |||||
| 外形尺寸(长mm×宽mm×高mm) | mm | 2363X1402X1918 | |||||
备注:以上电机参数为日本三菱M80配置参数大小,如需咨询其他系统配置请与我司电话联系索取。
-
高效的自主研发团队
硕方拥有一支高水平的研发团队,在国内率先研发出走心机用电主轴系列,并取得多项发明及专利,从而打破国外垄断,并逐步取代进口的同类产品
-
先进的加工设备
“工欲善其事,必先利其器”。硕方拥有精密的智能化加工母机,确保产品的零部件具备高精度。分别是:三菱五面体加工中心、大隈卧式加工中心、大隈立式加工中心、哈斯立式加工中心、建德平面磨床等先进的加工母机
-
严谨的制造过程
为保证产品装配过程的质量,硕方实行标准化的制造,将产品过程检验纳入工序过程。
为保证产品装配及加工精度的稳定性、一致性,我司所有生产、装配车间均为恒温恒湿环境。 -
卓越的生产工艺
为确保每一台硕方机床达到最高精度标准、稳定性以及精度保持性,从床身结构件铸造、铸件热时效处理、零部件高精密加工、关键部位高频淬火,到装配前关键零件高清洁度清洗,精密组件无尘装配,均采用先进的生产工艺,以使机床呈现卓越的性能表现。
-
高精密检测仪器
硕方制定并严苛执行质量管控标准,45个检测项目,632个品质管控要点,48小时高速全行程载荷加工测试。采用全球顶级精密检测设备,确保机床所有细节的精准控制
-
全面的服务体系
秉承“一切为了客户”的经营理念,售后服务部始终贯彻快速响应、及时处理、彻底解决的服务宗旨!